ЖЕСТКИЙ НЕСУЩИЙ ВИНТ С УПРАВЛЯЮЩИМ ГИРОСКОПОМ
Первыми в истории развития вертолетов были применены жесткие несущие винты. Однако уровень техники создания в то время винтов с жестким креплением лопастей не обеспечивал удовлетворительного решения всех проблем, связанных с управляемостью аппарата. Появление шарнирных несущих винтов на автожирах способствовало широкому применению шарнирных винтов и на вертолетах. Наличие шарниров позволило также обеспечить прочность лопастей, разгрузив их от изгибающего момента в комлевом сечении.
Введение шарниров, однако, устранив передачу моментов от лопастей на фюзеляж вертолета, привело к снижению эффективности управления и к уменьшению собственного демпфирования несущего винта, чем, как упоминалось ранее, и объясняется трудность получения оптимальных
характеристик управляемости вертолета. Эффект передачи моментов от лопастей несущего винта на вертолет, как показала практика, может быть использован для существенного (на порядок) увеличения демпфирования и эффективности управления вертолета путем применения несущего винта с лопастями, не имеющими горизонтальных и вертикальных шарниров, но свободно поворачивающимися в осевом шарнире под воздействием управляющего гироскопа, установленного на карданном шарнире на втулке. Прочность лопастей и втулки несущего винта в этом случае обеспечивается необходимым их усилением[9].
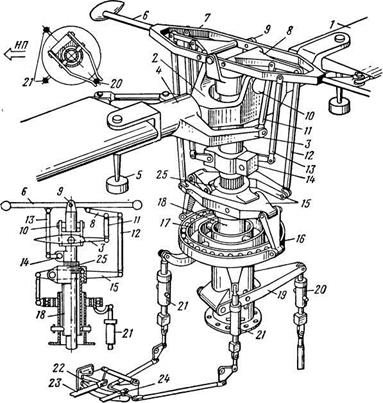
Одна из возможных конструктивных схем жесткого несущего винта с управляющим гироскопом показана на рис. 2.14. Лопасти крепятся ко втулке посредством осевых шарниров 1. Поводки 20 лопастей соединены с управляющим гироскопом 2 жесткими тягами[10].
Гироскоп, установленный на шарикоподшипнике 5, составляет одно целое с вращающимся кольцом автомата перекоса и повторяет углы его отклонения относительно универсального шарнира. Управление общим шагом жестко связано с вертикальным перемещением всего автомата перекоса и управляющего гироскопа вдоль направляющей 9. Продольное и поперечное управление осуществляется путем приложения моментов к кольцу автомата перекоса. Летчик, перемещая ручку управления, например, на себя, сжимает пружинную тягу 7, которая нагружает кольцо автомата перекоса, а следовательно, и гироскоп, управляющим моментом, направленным по крену. При перемещении ручки управления вбок обжимается пружина 16 поперечного управления, нагружающая управляющий гироскоп продольным моментом. Для предотвращения передачи усилия от гироскопа на ручку управления служат необратимые гидроусилители 14 и 15. Для управления общим шагом служит гидроусилитель 11. Отметим одну важную особенность конструктивной схемы. Вместе с пружинными тягами продольного и поперечного управления автомат перекоса связан дополнительно с компенсирующими пружинными тягами 17 и 18, создающими при отклонении гироскопа (но не рычагов управления!) момент, разгружающий гироскоп от действия пружинных тяг 7 и 16. Компенсирующие пружины, как будет видно из дальнейшего, позволяют гироскопу свободно прецессировать под воздействием управляющих моментов.
Следует отметить, что термин «жесткий» винт не совсем точно отражает сущность конструкции. Лопасти несущего винта даже при их консольном креплении ко втулке весьма упруги и могут иметь значительное маховое движение из-за своей упругости. Для практически осуществленных конструкций упругость лопастей такова, что жесткий винт по своей динамике подобен шарнирному винту с большим разносом ГШ (порядка 12—25% радиуса). Жесткий винт можно представить и в виде шарнирного с нулевым разносом ГШ и с некоторой эквивалентной пружинной загрузкой лопасти в ГШ, как это сделано ниже при более детальном анализе.
Рассмотрим работу жесткого несущего винта (рис. 2. 14). Она характерна тем, что лопасти, шарнирно соединенные с гироскопом, и свободно поворачивающиеся в осевых шарнирах, образуют совместно с гироскопом динамическую систему с обратной связью. Если на шарнирном винте маховое движение лопастей лишь создает нагрузки в цепи управления и никак не влияет на углы циклического шага, которые задает летчик, то на жестком винте из-за наличия угла обратной стреловидности лопасти (угол %) маховое движение лопастей создает моменты на гиро-
|
Рис. 2. 14. Одна из возможных схем управления жестким несущим винтом |
с гироскопом:
/—осевой шарнир; 2—гироскоп; 3—шлиц-шарнир; 4— невращающееся кольцо АП; 5—подшипник; 6—втулка; 7—пружинная тяга продольного управления; 8— ползун; 9—направляющая; 10—качалка общего шага; //—гидроусилитель; 12—механизм загрузки и электромагнитная муфта продольного управления; 13—механизм загрузки и электромагнитная муфта поперечного управления; 14 и 15—гидроусилители поперечного и продольного управления; 16—пружинная тяга поперечного управления; /7 и 18—компенсирующие пружинные тяги; 19—тяга поводка лопасти; 20—поводок
скопе, который, прецессируя под их воздействием, меняет углы циклического шага и влияет в свою очередь на маховое движение лопастей.
Отметим, что важнейшими параметрами этой системы, определяющими ее устойчивость, является момент инерции гироскопа, угол обратной стреловидности лопасти и жесткость лопасти.
Основной чертой указанной динамической системы является то, что она стремится поддержать неизменным маховое движение лопастей при любых возмущениях, действующих на лопасть, причем, как это будет видно из дальнейшего, исходное маховое движение определяется моментами, действующими на гироскоп при отклонении ручки управления и в результате появления угловой скорости фюзеляжа. Действительно, например, увеличение скорости полета изменит в первую очередь моменты лопастей в плоскости взмаха, которые в дальнейшем будем называть моментами тяги (увеличит их на наступающей стороне диска и уменьшит на отступающей). Это перераспределение сразу создаст неуравновешенный момент на гироскопе, который, свободно прецессируя под его воздействием (управляющая и компенсирующая пружины при нейтральном положении управления не дают моментов), начнет изменять циклический шаг. После переходного процесса система придет к установившемуся состоянию, в котором на гироскоп не должно действовать неуравновешенных моментов, а это может быть только при равенстве моментов тяги всех лопастей. Но момент, передаваемый на втулку лопастью в плоскости взмаха, пропорционален ее эквивалентной пружинной загрузке и углу взмаха, следовательно, гироскоп соответствующим введением циклического шага выравнивает маховое движение лопастей.
Эта черта жесткого винта с гироскопом обеспечивает сильное подавление периодических сил с частотой оборотов, что способствует снижению уровня вибраций. Кроме того моменты на несущем винте становятся независимыми от скорости полета и угла атаки несущего винта. Этим самым устраняется как незначительная устойчивость по скорости, так и существенная неустойчивость по углу атаки.
При отклонении ручки управления, допустим, от себя, летчик прикладывает к гироскопу момент по крену вправо путем растяжения пружинной тяги 7. Гироскоп под действием этого момента начинает прецессировать, причем его плоскость «заваливается» вперед. При этом он меняет циклический шаг винта, а через него и маховое движение. После переходного процесса в установившемся состоянии момент, действующий на гироскоп от обжатия управляющей пружины, должен быть уравновешен шарнирными моментами лопастей. Требуемые шарнирные моменты возникнут при таком изменении махового движения, когда максимальный момент тяги лопасть имеет на азимуте ф=0. Тогда при угле выноса поводка лопасти ф0, близком к 90°, лопасти создадут на гироскопе момент крена, уравновешивающий управляющий момент. Следовательно, отклонение управления ведет к изменению махового движения упругих лопастей и к появлению управляющего момента на втулке.
Должно быть ясно, что величина махового движения, т. е. момента на втулке, будет тем больше, чем больше момент, приложенный к гироскопу через пружину управления. Она будет зависеть и от доли момента лопасти в плоскости тяги, передаваемого на гироскоп, т. е. от угла обратной стреловидности.
При появлении постоянной угловой скорости фюзеляжа вертолета, например, на кабрирование, гироскоп, стремясь сохранить в пространстве положение своей плоскости вращения, начнет отклоняться так, что его передний край опустится вниз. Это вызовет изменение циклического шага, а следовательно, и моментов тяги. После переходного процесса должно установиться равновесие моментов на гироскопе. При наличии постоянной угловой скорости фюзеляжа на кабрирование на гироскоп будет действовать момент прецессии, направленный по крену вправо, что аналогично рассмотренному выше случаю отклонения ручки управления от себя[11]. Величина момента демпфирования на втулке аналогична рассмотренному выше и будет пропорциональна управляющему моменту на
гироскопе, который в этом случае, как момент прецессии, определяется моментом инерции гироскопа и величиной угловой скорости фюзеляжа.
Для пояснения описанных выше свойств жесткого несущего винта с управляющим гироскопом дадим упрощенный его анализ для режима висения, основанный на работе Зиссинга [58].
Примем следующие основные допущения: 1) лопасть — абсолютно жесткая, имеет центрально расположенный ГШ и пружинную загрузку ГШ (имитирующую упругость реальной лопасти), 2) не учитываются индуктивные скорости несущего винта и 3) маховое движение лопасти меняется быстро, так что процесс его изменения в динамике можно рассматривать как последовательность установившихся состояний.
Выразим коэффициент жесткости лопасти &л через собственную частоту колебаний лопасти в плоскости взмаха р.
Для абсолютно жесткой лопасти с пружинной загрузкой в ГШ суммарный восстанавливающий момент равен Мвосст=/гл|5 + Й2/ГШР-
Уравнение собственных колебаний лопасти относительно ГШ будет
выглядеть как/гШр+Мвосст== 0 или р+Рі Р=0, откуда р = ~ -(- 22.
* ГШ
_ k pi
Величину k=——=—1 назовем относительной жесткостью ГШ л /гш22 22
лопасти; она показывает, какую долю восстанавливающего момента центробежных сил составляет упругость лопасти.
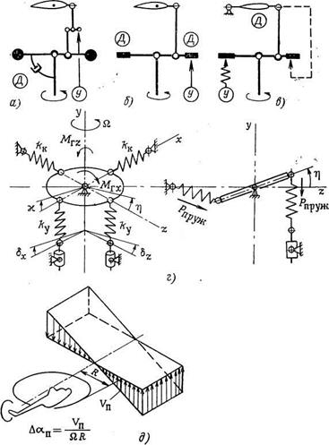
Рассмотрим схему автомата перекоса (рис. 2. 15, г). На ней обозначены:
6’г и 6Х — отклонения продольного и поперечного управления; ииг] —продольный и поперечный наклон управляющего гироскопа; k7 и kK — жесткости пружин управления и компенсирующих.
На рис. 2.14, б показана схема одной лопасти с одним плечом гиро — скопа. На ней ф— азимут лопасти, фг— азимут плеча гироскопа, ф0— угол выноса, х — угол обратной стреловидности лопасти.
Обозначим <р — угол установки лопасти (поворота ее в ОШ) и бг — угол отклонения (вверх — положительный) плеча гироскопа. Между ними существует кинематическое соотношение ф=Дібг.
Составим уравнение махового движения лопасти в предположении, что вертолет вращается по тангажу с угловой скоростью coz. В этом случае лопасть будет двигаться под воздействием суммы моментов: аэродинамического, инерционного и от пружинной загрузки.
Для получения выражения аэродинамического момента рассмотрим элемент лопасти (рис. 2.14, бив). Его подъемная сила равна
dY=-^- а Аа • qbd г (г Qf.
Элементарный аэродинамический момент относительно ГШ равен
аМгшАЭР =у а^ЬОР-Аа-гЫг,
где
да = д<р—^—- х ^—Ь— costb.
Я Q 1 Q т
Интегрируя по радиусу, и вводя массовую характеристику лопасти V=аоор/2/гш, получаем АЦ^ = — j — /ГШЙ2 _ 1— XD1
+ ~ cos ф).
Инерционный момент имеет три составляющие. Во первых, это момент инерционных сил при взмахе лопасти
Мгшин1 =— /гш(Р + Хф)-
Во-вторых, момент ОТ центробежных СИЛ Л4гшИн2 =—/гш Й2(Р+ХФ), и, в-третьих, момент от кориолисовых сил при вращении вертолета с угловой скоростью CDZ
^гшинз = 2/гш(0г^ Sin
|
Рис. 2. 15. К выводу уравнения динамики жесткого несущего винта с управляющим гироскопом |
Полный момент инерционных сил равен
Мгш ин = —Iгш ( РН“Хф) ^гш^2 (РЧ-Хф) 2/rm£2(02Sin |).
Момент от пружинной загрузки равен МГШпр =—£лр.
Определим возмущающий момент, возникающий при вхождении вертолета в зону действия восходящего и нисходящего потоков (рис. 2.15,5). Это приведет к изменению угла атаки элемента лопасти и воз-
Y
иикновению момента М.,„ =—/гш22Дап sin *.
гшвозм 4 гш 11 ‘
![]() |
В дальнейшем будем рассматривать этот момент вместе с аэродинамическим, полное выражение для которого видоизменится:
Перейдем к описанию движения гироскопа. Как видно из рис. 2. 15 на гироскоп действуют моменты от управляющей пружины kY и от компенсирующей kK. Очевидно, что М? х = —ky (6Z—ї]) —ккЦ или МГх = — 6уб2+ (Ау kK) т].
Обозначив kv=k7—можно вывести следующие уравнения движения гироскопа (без учета демпфирования)
(2.7)
где L — кинетический момент гироскопа,
Zy 10гП,
/ог — момент инерции гироскопа относительно оси Н. В.,
Надлежащим выбором жесткостей пружин можно добиться выпол-
нения условия &г=0, т. е. (оо=0. При этом уравнения (2.7) преобразуются к виду
П=-^Лгг,
т. е. обычные уравнения прецессии.
Ввиду принятого нами допущения о скоротечности переходных процессов нет необходимости рассматривать движение всего гироскопа. В установившемся состоянии плоскость гироскопа определяется парой фиксированных значений х и т] (или 6і и 62) • Для этого случая можно рассматривать одну лопасть с одним плечом гироскопа. Поэтому найдем уравнение движения одного плеча гироскопа, помня о том, что остальные плечи будут повторять это движение.
Для этого рассмотрим моменты, действующие на одно плечо гироскопа. Их четыре: шарнирный момент от лопасти, инерционный момент* момент от пружин и момент от управления.
Рассмотрим шарнирный момент лопасти Мош; он равен
•
Мош = хМгшаэр “Ь-^оШин ^ошф Сошф-
Здесь Мошин — инерционный момент лопасти в ее движении относительно ОШ, kom и с0ш — соответственно жесткость и демпфирование лопасти в ОШ (например, из-за торсионного крепления). Найдем момент М0шин.
Аналогично моменту МГШин в него входят прежние три составляющие, которые записываются теперь следующим образом:
М0шин2 =— хДшП2(Р+Хф).
А)ошин3 2x/rraC02nsimj),
и четвертое
М°Шин4= Л)ф,
где /0 — момент инерции лопасти относительно ОШ.
Полный инерционный момент равен
М ошин = — хДш ( Р+П2Р ) —Х2/ гш (ф+ П2ф) —I Оф—2 х/гш®г^5ІПф.
Для установившегося состояния р-]-й2р=0,
Ф+П2ф = 0 и Мошнн =/оф—2x/rmtt»znsirnl).
Выразим Л1ГШаэр из уравнения махового движения (2. 1)
•Мгшаэр =—-Мгшин —Afrmnp-
Тогда
Х^гшаЭр = Х^ГШИН Х^лр.
Для установившегося состояния
МГшин 2/ rinQco2sin4p.
Полный момент, действующий на гироскоп от лопасти, равен
MFSl = DiMom=%Dyk3l§—П2/0бг—D сошбг—D kombT.
Инерционный момент гироскопа равен МГин =—/гбг—/ГП2—2/rQ(o2sinj)r.
.Здесь /г—момент инерции одного плеча гироскопа. Момент от пружин согласно полученному ранее составляет
МГпр —
и, наконец, момент от управления:
МГупр =Ay6xCOS’l|5r+^y62Sin’l|}r = ^[6xCOS (яр +ф0) +6zsin (яр+яро) ]. Уравнение движения гироскопа запишется в виде:
мгл+мГин +мГпр +жгупр =0
ИЛИ
(/г+Д2/0)бг+Д? ^ошбг+ (/гЙ2 + ^г + ^1 *ош) бГ——
=^y6*cos (яр+яро) + (kYdz—2/r£2o)z) sin (яр+яр0).
Обычно /г>£^/0. Поэтому условие полной компенсации движения гироскопа будет иметь вид
*г ИЛИ ky—^к==—^ош*
Относительное демпфирование движения гироскопа равно
&ссш 2/rQ “
Оно должно быть как можно меньшим для более эффективной работы системы.
Окончательно уравнение движения гироскопа запишем в виде (с учетом действия только продольного управления):
|
8г 2£28г — j — 22ог — о)р — Р = (a)1%Z — 22<ог).(sin ф0 cos ф cos ф0 sin ф), где
|
При подстановке в него выражений (2.3), 2.4) и приравнивании в правой и левой части коэффициентов при БІпяр и соэяр получим уравнения
а1(.^~]~2Ш2о2= — 2Q(d2) sin ф0, (2.8)
b^l — 2CQ2S, — (со% — 22o>z) cos ф0. (2. 9)
Вместе с уравнениями (2.5), (2.6) они образуют систему, достаточную для определения неизвестных аи 6Ь 6i, 62.
Решая совместно уравнения (2.5), (2.6), (2.8), (2.9), и полагая для простоты £=0, находим изменение неизвестных коэффициентов в различных случаях. Например, при воздействии возмущения Аап изменение коэффициентов махового движения ах и Ьх не происходит, т. е.
*1 = 0,
*1 = 0.
Это происходит из-за отклонения гироскопа, компоненты которого выражаются как
о1— Дап
и
Да„
U
■ Гироскоп, вследствие обратной связи от лопасти через шарнирный момент (его мерой служит величина сор), вводит такое изменение циклического шага винта, которое подавляет влияние возмущения на маховое движение.
При воздействии угловой скорости coz коэффициенты махового движения меняются следующим образом
![]()
2Q sin in
“р
2Q cos i0
—— о ~ <0,.
Из уравнений (2.10) можно получить условие надлежащего выбора угла выноса ф0- Для рассматриваемого идеального случая (полная компенсация движения гироскопа и отсутствие его демпфирования) фо=90°. При этом демпфирующий момент, возникающий при изменении
угла тангажа, направлен только по тангажу и равен Мг — —клах.
О)
Продольное демпфирование равно Mzz = где 2 — число лопастей.
Отклонение гироскопа при этом составляет
Рассмотрим реакцию системы на отклонение управления. При условии фо=90°
г1 — ""Г
и момент, развиваемый несущим винтом, равен
М2 = — Л, а, = — кл -^82.
Z г) Л і <■) л 2 z
£ Z (Од
![]() |
Эффективность управления равна М/ Отклонение гироскопа при этом равно
При рассмотрении устойчивости динамической системы «лопасти — гироскоп» уже нельзя рассматривать движение лопастей и гироскопа как последовательность установившихся состояний. Уравнения динамики системы будут более сложными; они позволяют определить границы устойчивости системы в функции упоминавшихся выше основных ее параметров. Приведем без вывода условие устойчивости системы
ph-tD]lTm{p] -1) ( J-x)>0. (2.11)
Пользуясь полученными данными, можно ориентировочно определить основные параметры системы управления жестким винтом, и, в пер-
вую очередь, потребную массу гироскопа. Зададимся реальными параметрами лопастей, например, вертолета Ми-2, для которых р2 = 1,27, у=3,78, /гш=95,5 кГм • сек2. Величина х не может быть очень малой, поскольку ею определяются максимальные углы отклонения гироскопа при воздействии управления и возмущений, обычно она составляет 1—2°. Примем х=1,5°=0,0262. При этих условиях, задаваясь еще передаточным отношением Di= — =0,5, в соответствии с уравнением (2.11)
°Г
определим минимальный потребный момент инерции одного плеча гироскопа /Гшіп=0,122 кГм-сек2. Принимая радиус плеча гироскопа равным 15% радиуса винта и считая массу плеча равномерно распределенной вдоль его длины, получим минимальный вес одного плеча
Общий вес гироскопа четырехлопастного винта составит 12 кг (минимальное значение), а с учетом необходимого запаса устойчивости — около 15 кг.
Для практической разработки подобной системы необходим более точный анализ с проверкой результатов на моделях или на натурном стенде.
По существу жесткий несущий винт с управляющим гироскопом типа Локхид является винтом с упругим креплением лопастей, имеющим механический стабилизатор, аналогичный стержню типа Белл или серворотору типа Хиллер, применяемым с шарнирными винтами. В принципе все эти системы состоят из гироскопа, который шарнирно соединен с ротором и вращается вместе с ним. Угловое смещение гироскопа относительно оси вала винта ведет к изменению угла установки лопасти. Схематически все три системы показаны на рис. 2. 15, а, б и в. Различие между ними заключается в способах демпфирования движения гироскопа и введения управляющего воздействия. Демпфирование гироскопа в системе Белл обеспечивается специальным вязким демпфером, в системе Хиллер — аэродинамическими профилями, а в системе Локхид для этого используются аэродинамические силы, действующие на лопасти несущего винта. Это достигается созданием обратной стреловидности лопасти.
Рассмотрим схемы управления несущим винтом вертолетов Хиллер и Белл, характерным для которых является то, что они позволяют значительно повысить собственное демпфирование несущего винта. Схема Хиллер дополнительно позволяет существенно уменьшить усилия на рычагах управления из-за того, что управляющее воздействие прикладывается не к основным лопастям, а к небольшим по площади серволопастям. Конструктивно указанные схемы применимы только к двухлопастным несущим винтам, что и обусловило их применение почти исключительно на легких вертолетах.
Особенностью схемы управления несущим винтом вертолетов Хиллер (рис. 2. 16.) является крепление втулки к валу на универсальном шарнире, а также установка серволопастей, представляющих собой штанги с аэродинамическими поверхностями по концам.
Наклон автомата перекоса приводит к циклическому изменению углов установки основных лопастей и серволопастей. Однако, завал всей втулки в результате взмаха серволопастей приводит к циклическому изменению углов установки основных лопа стей. Это достигается соотьетствующей кинематикой втулки: превышением центра универсального шарнира втулки под лопастями U и превышением осей шарниров штанги общего шага над втулкой /2- Втулка имеет компенсатор взмаха, который обязателен цля ее работоспособности.
В проводку управления автоматом перекоса включено механическое устройство, предотвращающее передачу на ручку вибраций из-за периодических сил на автомате перекоса (инерционный демпфер) и из-за относительных смещений фюзеляжа и вала винта (компенсатор), необходимое из-за отсутствия необратимых гидроусилителей.
При отклонении ручки на себя отклоняется от себя кольцо автомата перекоса, при этом угол установки серволопасти, находящейся на азимуте 270°, становится максимальным и она начинает взмахивать вверх. Максимального угла взмаха она достиг-
кет на азимуте О3» что приведет к увеличению угла установки лопасти, находящейся в это время на азимуте 270°. Максимальный угол взмаха эта лопасть будет иметь на азимуте 0°, т. е. плоскость концов лопастей наклонится вперед, что соответствует моменту на пикирование.
При возникновении угловой скорости кабрирования серволопасти, обладая определенной инерцией, будут стремиться сохранить в пространстве свою плоскость вращения. В результате угол взмаха серволопастей относительно вала будет максимальным на азимуте 0°, что соответствует моменту на пикирование. Этот момент вследствие введения дополнительного циклического щага винта прибавится к моменту демпфирования обычного шарнирного винта.
|
Рис. 2. 16. Схема управления несущим винтом вертолета Хиллер 12Е: ‘ /—лопасть, 2—втулка; 3—универсальный шарнир; 4—штанга; 5—противовесы; 6—тяга поводка; 7—поводок; 5—осевой шарнир лопасти; 9— серволопасть; 10—осевой шарнир; //—шлиц-шарнир; 12—невращающее- ся кольцо АП; 13—вращающееся кольцо АП; 14—универсальный шарнир; /5—вал; 16— качалка общего шага; 17—тяга поперечного управления; 18—тяга продольного управления; 19—инерционный демпфер; 20—компенсатор; 21—тяга продольного управления |
Схема управления несущим винтом вертолетов Белл показана на рис. 2. 17. В отличие от схемы Хиллер здесь втулка прикреплена к валу винта с помощью общего для двух лопастей ГШ. Над втулкой (или под ней) на другом ГШ, ось которого перпендикулярна оси первого ГШ, крепится «стабилизирующий стержень», т. е. гироскоп. На гироскопе установлены дифференциальные качалки, через которые с ним соединены поводки лопастей и управляющие тяги от автомата перекоса. Благодаря этому угол установки лопасти определяется суммой отклонения кольца автомата перекоса и гироскопа. Движение гироскопа демпфируется специальными демпферами. Анализ показывает, что без дополнительного демпфирования движение гироскопа будет неустойчивым. Втулка вертолетов Белл и Хиллер имеют компенсатор взмаха.
При отклонений кольца автомата перекоса гироскоп остается неподвижным и летчик непосредственно воздействует на циклический шаг винта обычным образом. При появлении угловой скорости фюзеляжа гироскоп стремится сохранить в пространстве свою плоскость вращения и вводит циклический шаг, соответствующий дополнительному отставанию вектора равнодействующей от оси вала. Таким образом, на фюзеляж начинает действовать дополнительный демпфирующий момент. При уменьше-
|
НИИ угловой скорости до нуля гироскоп возвращается центробежными силами в нейтральное положение. В дальнейшем, на последних моделях вертолетов Хиллер и Ьелл связи с совершенствованием систем автоматического управления и гидроусилителей серволопасти и гироскоп заменены указанными устройствами.
Рис. 2. 17. Схема управления несущим винтом вертолета Белл UH-1D: /—лопасть; 2—втулка; 3—поводок; 4—осевой шарнир; 5—противовес; 5—гироскоп; 7—рамка; 3—дифференциальная качалка; 9—шарнир гироскопа; 10—общий ГШ втулки; //—тяга поводка; 12—тяга от АП; 13—‘тяга к демпферу; 14— демпфер; 15—шлиц-шарнирные рычаги; 16—вращающееся кольцо АП; /7—не — вращающееся кольцо АП; /3—ползун общего шага; 19—качалка общего шага; 20—гидроусилитель общего шага; 21—гидроусилители; 22—дифференциальный механизм; 23—тяга поперечного управления; 24—тяга продольного управления; 25—каретка общего шага |
Следует сказать, что для вертолета, имеющего жесткий несущий винт с управляющим гироскопом, целесообразно для получения больших скоростей полета иметь источник поопульсивной тяги и крыло. Иначе окажется необходимым либо сильно увеличивать маховое движение лопастей для сохранения при больших скоростях полета горизонтального положения фюзеляжа, что невыгодно по соображениям прочности несущего винта, либо допустить большой отрицательный балансировочный угол тангажа, что невыгодно из-за увеличения лобового сопротивления.
Жесткий несущий винт, в отличие от шарнирного, сохраняет способность создавать управляющие и демпфирующие моменты при сильном уменьшении величины тяги. Это значит, что на винтокрыле с жестким винтом и крылом, сильно разгружающим винт на больших скоростях, можно не иметь самолетных органов управления: несущий винт обеспечит управляемость аппарата во всем диапазоне скоростей полета.






